7、产品名称:空气间隙试块
产品编号:20260112-07
产品质保:12个月


产品简介:可以按照客户要求非标定制,以下为产品的可供参考的:技术参数与应用说明,仅供参考,更多详情请咨询:廊坊玉双仪器设备有限公司
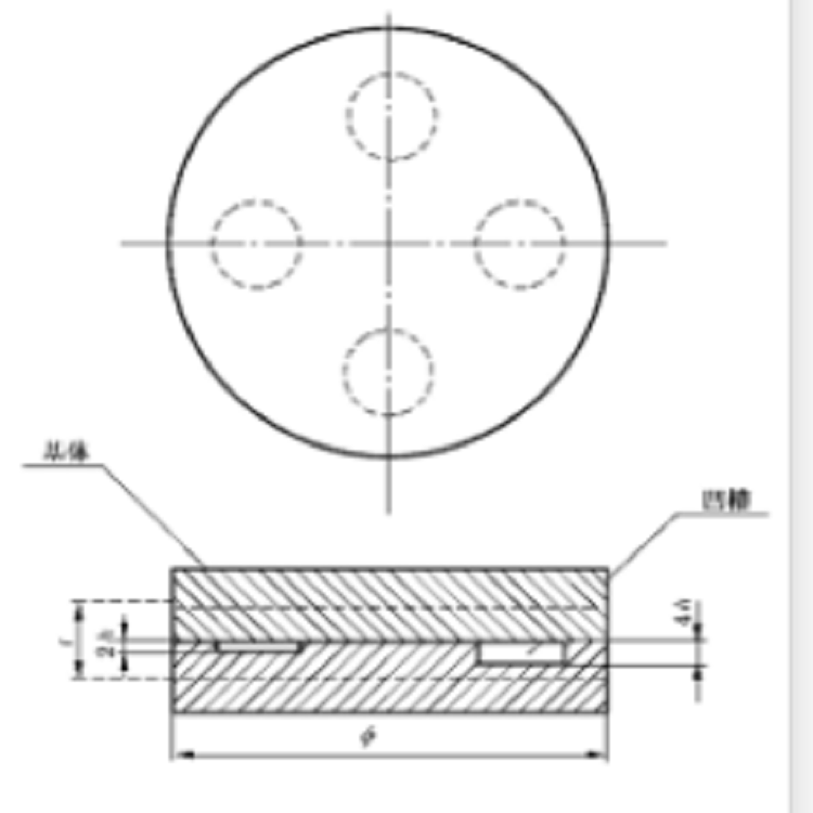
本空气间隙试块是遵循JJF 2043-2023国家计量规范制造的工业X射线CT专用校准件,核心用于校准设备密度分辨力,捕捉低对比度材质差异,广泛适用于第三方计量检测机构、工业CT设备厂家及航空航天、汽车精密铸造、新能源电池等领域,可覆盖新机验收、日常定期校准、维修后精度核验全场景,通过标准化空气间隙结构模拟工件内部微小空隙、层间间隙等缺陷,规避因密度分辨力不足导致的隐性缺陷漏判,为无损检测数据的可靠性与溯源性提供关键支撑。试块采用均质PMMA材质打造长方体基体,耐辐射、抗磨损且结构稳定,避免自身材质干扰校准结果,标准尺寸为100×80×20mm,可按需定制规格,基体内加工多组平行空气间隙通道,间隙宽度按梯度设置为0.05-3mm,相邻间隙中心距5mm,加工尺寸误差严控在±0.01mm内,确保校准基准统一。适配10-450kV管电压的工业CT、锥束CT及平板CT机型,使用时将试块水平固定于扫描台,使间隙方向与扫描平面垂直,按常规参数扫描后,通过分析间隙成像清晰度即可量化密度分辨力指标。操作简便无需额外调试,成像数据可直接导出追溯,所有组件出厂前经多轮精度校验与稳定性测试,同时支持间隙梯度、基体材质及尺寸非标定制,满足不同行业低对比度缺陷检测的个性化校准需求。
廊坊玉双仪器设备有限公司,竭诚为您服务,我司可以非标订制符合客户个性化要求的产品和设备。
以上信息仅供参考,更多详情请咨询:廊坊玉双仪器设备有限公司
是否可以非标订制:可以按照客户要求非标定制:
产品编号:20260112-07